
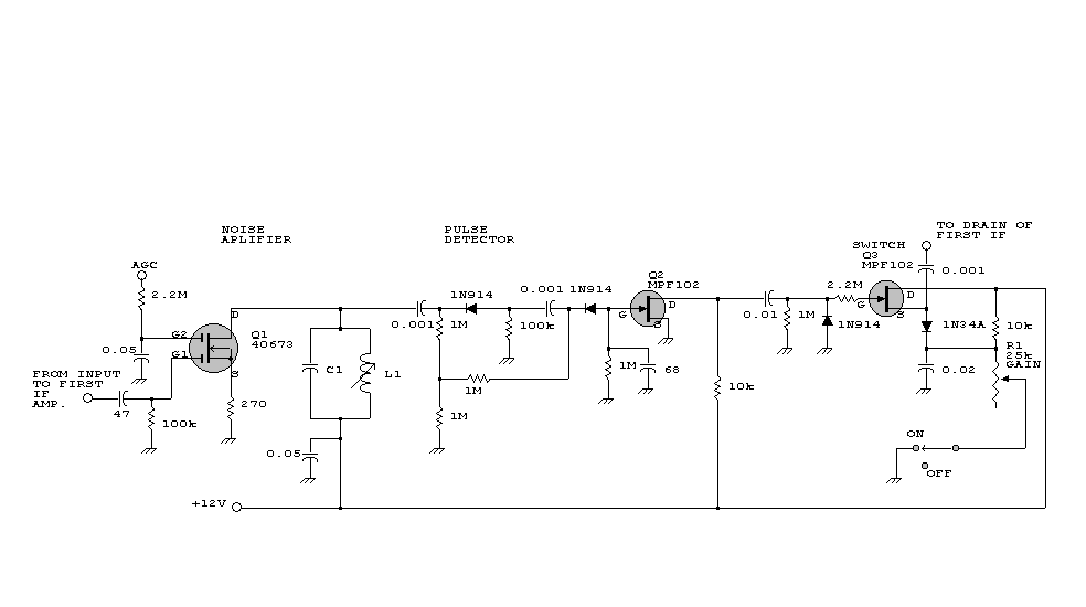
| Parts List: | |||
| Component: | Value: | Datasheet: | Qty: |
| Resistor | 2.2M |
Not Available | 02 |
| Resistor | 100K |
Not Available | 02 |
| Resistor | 270 |
Not Available | 01 |
| Resistor | 1M | Not Available | 05 |
| Resistor | 10K | Not Available | 02 |
| Resistor | 25K Pot | Not Available | 01 |
| Capacitor | 47uF | Not Available | 01 |
| Capacitor | 0.05uF | Not Available | 02 |
| Capacitor | 0.001uF | Not Available | 03 |
| Capacitor | 68uF | Not Available | 01 |
| Capacitor | 0.01uF | Not Available | 01 |
| Capacitor | 0.02uF | Not Available | 01 |
| Diode | 1N914 | Available | 03 |
| Diode | 1N34A | Not Available | 01 |
| Transistor | 40673 | Not Available | 01 |
| Transistor | MPF102 | Not Available | 02 |